Via A. da Giussano n.23 - CAP 27043 - Broni - Italia 
 tel.& fax.: ++39.(0)385.250421   cell.: ++39.334.8082070 
 
 
                                                                           
 
DEPURATORI ACQUE E IMPIANTI ACCESSORI 
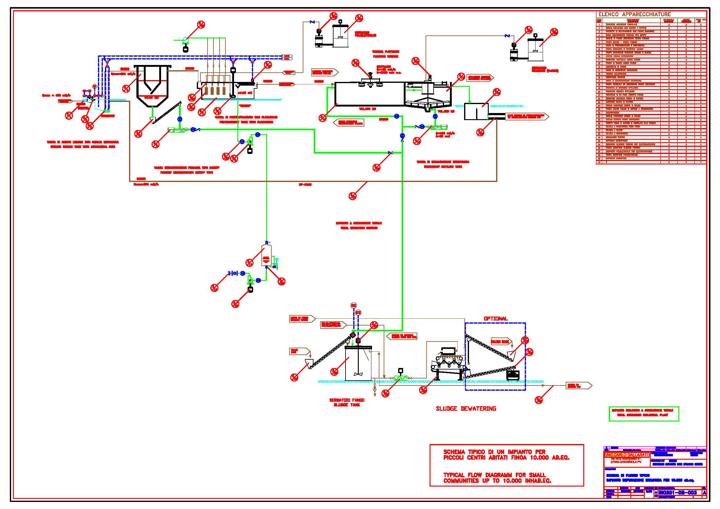
Progettiamo e costruiamo diversi tipi di impianti di depurazione, per piccole, medie e grandi utenze, sia nel settore dei depuratori urbani (biologici) sia nel settore della depurazione industriale (trattamenti chimico fisici), in cooperazione con un'altra società di engineering, con la quale siamo in stretto rapporto di collaborazione da molti anni. 
Siamo quindi in condizione di quotare i migliori processi e la migliore tecnologia attualmente disponibile e possiamo fornire una lunga lista di referenze nel settore specifico a richiesta. 
Siamo inoltre in grado di fornire molti impianti accessori correlati con il settore della depurazione delle acque fra cui:  
Impianti di stabilizzazione fango  
Essiccatoi per fanghi 
Digestori anaerobici e sistemi di biogas  
Sistemi di aspirazione e deodorizzazione 
 
 
             Un  nostro P&I  e un dettaglio costruttivo